¿Tienes dudas o necesitas ayuda? Escríbenos a contacto@electromall.cl o llámanos al +56 9 9946 0432
Resumen del pedido
Tu carro está vacío.
Productos
0
$0
Envío
$0
Total
$0
- Inicio
- Menú
- Control
- Transformadores de Corriente y Voltaje
- Transformador de Corriente 300/5
Transformador de Corriente 300/5
|
Descripción
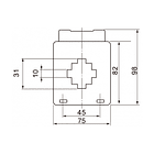
La serie de transformadores de corriente MSQ está diseñada para realizar pruebas, monitorear, visualizar y registrar el desempeño de equipos eléctricos, además de brindar protección contra posibles daños. Se utiliza en circuitos de corriente alterna con un voltaje nominal máximo de 660 V y frecuencias de 50/60 Hz. También es adecuada para integrarse en sistemas de transformadores destinados a aplicaciones mineras. Estos productos cumplen con la normativa IEC 60185.
Características técnicas:
- Voltaje nominal: 660V
- Frecuencia: 50/60 Hz
- Rango de temperatura: -25° a 75°C
- Corriente nominal de entrada: 300A
- Corriente nominal de salida: 5A
- Exactitud: 5% - 120% In
- Cumple con la normativa IEC 60185